尹老师 蓝天教育和小凡智造的创始人,多年大型企业实战工作经验,对产品设计,模具设计,非标自动化设计和PLC机器人等非常精通了解,拥有发明专利5个,新型专利30多项,多年来专注于教育事业,培养出一批又一批优秀学员,为当地企业输送了非常多的人才,受到众多好评!
CAD从入门到精通全套课程
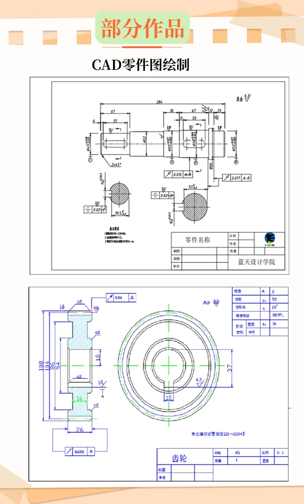
cad从入门到精通,本套课程是有蓝天教育的尹老师根据多年的工作经验录制的 CAD应用课程,是机械 模具 工程,建筑,室内装修设计专业的非常有用用的。
第1章 CAD学习方法简介与CAD详细介绍
1-1
[试看]
1.CAD2025课程介绍和学习内容介绍.mp4
播放中
1-2
[试看]
2.CAD2025 CAD软件介绍.mp4
播放中
1-3
[试看]
3.CAD2025常用工具条和功能设置基本介绍.mp4
播放中
1-4
[试看]
5.CAD2025特性和特性匹配的方法.mp4
播放中
1-5
[试看]
4.2.CAD安装方法通用CAD2020-CAD2025
播放中
1-6
CAD2025如何切换经典界面.mp4
播放中
第2章 学习绘图工具条介绍
2-1
[试看]
5CAD绘图工具条讲解
播放中
2-2
6.基本绘图工具案列
播放中
2-3
7.图层的创建和用法
播放中
2-4
8.直线命令练习案列教程
播放中
2-5
9.CAD倒圆角案列教程
播放中
第3章 第三节学习修改工具条
3-1
10.CAD修改工具条讲解
播放中
3-2
1.镜像和阵列案例1
播放中
3-3
12.镜像和阵列案例2
播放中
3-4
13.CAD综合练习1
播放中
3-5
14.CAD综合练习2
播放中
3-6
15.CAD综合练习3
播放中
第4章 标注工具条鱼标注样式讲解
4-1
16.标注和标注样式运用
播放中
4-2
17.标注样式和文字样式的设置方法运用
播放中
4-3
18.CAD综合练习4
播放中
4-4
19.CAD综合练习5
播放中
4-5
20.CAD综合练习6
播放中
4-6
21.CAD综合练习7
播放中
4-7
23.CAD块的使用方法和文字属性的方法
播放中
第5章 打印输出设置
5-1
22.CAD图框认识和绘制方法
播放中
5-2
24.CAD打印与输出PDF文件的方法
播放中
5-3
25.CAD布局的运用方法
播放中
第6章 第六节CAD产品设计运用包装LOGO设计
6-1
26.CAD LOGO设计的方法和实列
播放中
6-2
27.CAD做产品包装设计的运用
播放中
第7章 机械制图基础
7-1
28. 机械制图常识和机械制图标注基本认识
播放中
7-2
29.尺寸公差与形位公差的认识
播放中
7-3
30.表面粗糙度的用法
播放中
7-4
31.常用机械制图视图表达
播放中
第8章 零件图绘制方法和技巧
8-1
32.机械制图种类和零件读图
播放中
8-2
33.CAD轴类零件的画法
播放中
8-3
34.CAD轴类零件标注尺寸
播放中
8-4
35.标准件的认识与螺纹认识和画法
播放中
8-5
36. 螺纹实列的视频教程
播放中
8-6
37.圆盘类零件的综合案列上.mp4
播放中
8-7
38.CAD弹簧案列综合
播放中
8-8
39.CAD弹簧认识与分类
播放中
8-9
39.齿轮的认识和运用
播放中
8-10
40.齿轮的实际案例
播放中
8-11
41.CAD综合案列16教程.mp4
播放中
8-12
42.圆盘类零件标注尺寸方法
播放中
8-13
43.CAD综合案列12盖件压铸件
播放中
8-14
44.CAD综合案列13支架图纸绘制方法
播放中
8-15
45.CAD综合案列13支架图纸标注尺寸
播放中
8-16
46.CAD箱体零件的读图和认识
播放中
8-17
47.CAD箱体零件的绘制方法
播放中
8-18
48.箱体零件标注尺寸
播放中
8-19
49.CAD装配图读图的要求和认识
播放中
8-20
50.CAD装配图的绘制方法
播放中
8-21
51.CAD焊接图纸的认识和画法
播放中
第9章 第十节、三维建模基本入门
9-1
52.CAD三维建模基础界面认识和设置
播放中
9-2
53.CAD如何创建模型
播放中
9-3
54.CAD三维建模基础1
播放中
9-4
55.CAD三维建模基础2
播放中
9-5
56.CAD三维建模编辑功能和坐标系
播放中
9-6
57.CAD三维凳子拉伸案例实例讲解
播放中
9-7
58.CAD三维拉伸案例
播放中
9-8
59.CAD机械制图三维旋转和扫描命令案例
播放中
9-9
60.CAD三维旋转案列
播放中
9-10
61.CAD三维制图放样五角心案列
播放中
第10章 CAD建筑室内设计教程
10-1
CAD建筑图案例1
播放中
10-2
CAD建筑案例2
播放中
10-3
CAD建筑案例3
播放中
10-4
CAD地砖花纹画法4
播放中
10-5
CAD图形案例5
播放中
10-6
6.CAD建筑多线的设置和画法
播放中
10-7
7.CAD建筑房屋平面布局案例1
播放中
10-8
8.CAD建筑房屋布局案例2
播放中
10-9
9.建筑CAD整体布局图.mp4
播放中
10-10
10.建筑CAD平面布局图 立面图 剖视图画法.mp4
播放中
10-11
11.房屋装修外墙主体图.mp4
播放中
10-12
12.CAD装修图室内装修家具摆放图.mp4
播放中
订阅后观看完整视频
课程详情
本课程是有蓝天教育尹老师根据多年的实际工作经验录制的一套从入门到精通的视频课程,本课程适合初学者和有一定基础的学习爱好者
具体内容去哪个看右边的目录,你可以选择试看几节,如果需要购买可以直接付款,然后就可以全套学习,付好了联系老师获得全部练习文档,老师会一对一进行指导!
尹老师电话15906845558 (同微信)。















用户评价
好评度
100%
平均分
5.00
QQ:41780253
15906845558